Iscriviti alla nostra newsletter giornaliera e tieniti aggiornato sulle ultime notizie!

Iscriviti Sono già iscritto

State utilizzando un software che blocca le nostre pubblicità (cosiddetto adblocker).

Dato che forniamo le notizie gratuitamente, contiamo sui ricavi dei nostri banner. Vi preghiamo quindi di disabilitare il vostro software di disabilitazione dei banner e di ricaricare la pagina per continuare a utilizzare questo sito.
Grazie!

Clicca qui per una guida alla disattivazione del tuo sistema software che blocca le inserzioni pubblicitarie.

Sign up for our daily Newsletter and stay up to date with all the latest news!

Registrazione I am already a subscriber
E' made in Italy il primo micro-orto in orbita per coltivare verdure nello spazio

Enea apre una finestra sul futuro dell'orticoltura

Un team scientifico tutto italiano ha progettato GREENCUBE, il primo micro-orto per coltivare verdure nelle future esplorazioni spaziali, che sarà lanciato in orbita a 6mila km dalla Terra, in occasione del volo inaugurale del vettore ufficiale VEGA-C dell'Agenzia Spaziale Europea (ESA). Partecipano al progetto: ENEA, Università Federico II di Napoli e Sapienza Università di Roma, nel ruolo di coordinatore e titolare di un accordo con l'Agenzia Spaziale Italiana (ASI).

Sopra: Schema Drawing Microgreens Greencube (Clicca qui per ingrandire)

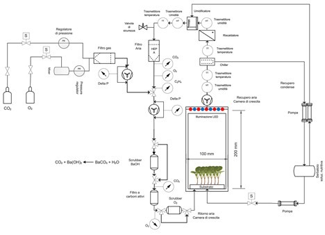
Il prototipo (vedi foto sotto) misura 30x10x10 cm e si basa su colture idroponiche a ciclo chiuso in grado di garantire, per i 20 giorni di sperimentazione, un ciclo completo di crescita di micro-ortaggi, selezionati tra quelli più adatti a sopportare le condizioni estreme extraterrestri.

Il progetto si inquadra nell'ambito della mission ENEA di trasferire all'industria e alle pubbliche amministrazioni i risultati della ricerca scientifica, in un'ottica di sviluppo economico sostenibile; in questo caso attraverso competenze, infrastrutture e professionalità maturate nella coltivazione in ambienti chiusi e confinati di ortaggi freschi per uso industriale e in ambienti estremi, come lo spazio.

Luca Nardi

Quanto tempo ci vorrà perché gli esperimenti spaziali trovino applicazioni pratiche anche nell'agricoltura terrestre?
"Questo esperimento servirà a realizzare un sistema di coltivazione completamente automatizzato, integrato di sensori e tecniche diagnostiche non distruttive - ha risposto Luca Nardi, ricercatore del Laboratorio Biotecnologie ENEA - grazie alla collaborazione di ingegneri aerospaziali, agronomi e biologi per la produzione di microverdure nello spazio".

"Molte delle ricerche che vengono compiute nello spazio hanno trovato e trovano poi ricadute nella vita quotidiana di tutti noi. Soprattutto, in questo caso, nel cercare di produrre un alimento di alta qualità in un piccolo ambiente, veramente estremo e ostile, misurando attentamente le risorse poste in gioco durante il processo di crescita e potendo contemporaneamente analizzare lo stato di salute delle piante da remoto".

"Oggi, grazie agli sforzi compiuti dall'Agenzia Spaziale Italiana (ASI) e all'azienda Avio nella realizzazione del nuovo lanciatore VEGA C, sarà possibile per molti giovani universitari e ricercatori effettuare esperimenti nello spazio, utilizzando piccoli satelliti e riducendo notevolmente i tempi di attesa e i costi di lancio".

Il progetto Greencube è stato finanziato da ASI. Il satellite è completamente realizzato da un gruppo di giovani ingegneri aerospaziali: Paolo Marzioli, Federico Curianò, Lorenzo Frezza, Diego Amadio, Luca Gugliermetti, coordinati dal Professor Fabio Santoni dell'Università la Sapienza di Roma e in collaborazione con Giulio Metelli, biologo del laboratorio Biotecnologie di ENEA e il gruppo di ricerca della Prof.ssa Stefania de Pascale dell'Università Federico II di Napoli. Questa piattaforma verrà utilizzata anche per realizzare sistemi produttivi in ambito urbano.

Sopra: schema fotosintesi Drawing Microgreens Greencube 

Questo studio aiuterà a sostenere la sfida dei cambiamenti climatici che, divenuti sempre più improvvisi e violenti, sono uno dei maggiori nemici dell'ortofrutticoltura intensiva?
"Gli studi che oggi si realizzano nel settore agrospaziale - spiega Nardi - mirano a poter coltivare in maniera intensiva all'interno di piccoli volumi anche all'interno delle città (urban farming), utilizzando tutto lo spazio a disposizione grazie ai sistemi sviluppati e all'adozione di tecniche innovative di agricoltura intelligente (smart farming), in ambienti in cui l'assenza di suolo e l'impossibilità di poter utilizzare la luce solare diretta rendono veramente difficile la sfida".

"Riuscire a produrre in strutture chiuse (indoor farming), utilizzando attentamente le risorse quali acqua, fertilizzanti ed energia, cercando di ridurre gli sprechi e riciclando il più possibile gli scarti umani e delle piante grazie all'attività degradativa dei microrganismi e recuperandoli nel processo produttivo, è parte integrante dello studio alla base dei sistemi biorigenerativi di supporto alla vita: veri e propri ecosistemi artificiali in cui piante, microrganismi e uomo interagiscono. Questi sistemi verranno sempre più utilizzati in futuro per produrre - localmente e all'interno di spazi chiusi - alimenti in misura attenta e misurata, rispettando l'ambiente e svincolando la produzione dal clima e dagli eventi meteo avversi".

Sopra: schema respirazione

Quali specie orticole sono state scelte per condurre gli esperimenti e perché?
"Per questo esperimento si sta selezionando come microverdure la specie appartenente alla famiglia delle Brassicacee, per poter valutare durante il processo di crescita la risposta alle condizioni di stress estremo cui saranno soggette nello spazio, a causa delle radiazioni, della microgravità e della ridotta pressione. Il confronto tra i risultati ottenuti nello spazio e sulla Terra sarà cruciale per valutare la possibilità di utilizzare i micro-ortaggi come alimento fresco e altamente nutriente per gli astronauti nelle future missioni spaziali. Stiamo selezionando tra le varietà commerciali quelle più adatte a queste condizioni estreme extraterrestri".

C'è in progetto l'ipotesi di brevettare nuove varietà che dovessero scaturire da questo studio?
"Non in questo caso - chiarisce in conclusione il ricercatore - poiché utilizzeremo come già detto varietà commerciali. Mentre lo abbiamo fatto nel progetto Bioxtreme, sempre finanziato dall'ASI, dove abbiamo ingegnerizzato il pomodoro Microtom per produrre antocianine in tutta la pianta, anche nei frutti, come sistema di protezione sia per la pianta stessa sia per poter integrare la dieta degli astronauti con questi potenti antiossidanti naturali (www.hortspace.enea.it)".

Articoli Correlati → Vedi